輸入ガレージドアは海外住宅のような重厚感と美しさを醸し出し
高断熱・静音性に優れた商品を全国対応でご提案。
重厚で美しい海外デザインと高機能を兼ね備えた理想の輸入ガレージドアです。
⬆️各種ガレージドアデザイン
理想のガレージが見つかる
海外デザインのガレージドアを、日本の住まいに
騒音ゼロ、快適度100%。
スマートな輸入ガレージドアで
時間と騒音問題に サヨナラ!

「輸入ガレージドア オーバースライダー 電動オープナー付き」は、
スムーズで高速な自動開閉機能により、車の出し入れが簡単になります。
その静音性は、深夜の使用でも近隣への騒音心配を軽減。
更にセンサー機能や高度なセキュリティ機能を備え、安全面も一層強化されます。
快適さ、便利さ、そして安全性を追求した最高の選択です。
また設計寸法に合わせた寸法から選択いただけます。
高断熱・高耐久・デザイン性を兼ね備えた輸入ガレージドアを、
建築士監修のもと厳選ラインナップ。
今すぐ “魅せるガレージ” へ、アップグレード!
どのようなことをお聞きしたいですか?
“魅せるガレージ”を日本の住まいに。
輸入建材ヴィクトリーでは、アメリカ・カナダを中心に人気の輸入ガレージドアを、建築士やこだわりのある施主様へ向けて厳選・販売しております。高級住宅やデザイン住宅に映える、クラシカルで重厚感のあるスタイルから、洗練されたモダンガレージデザインまで。
日本国内での施工実績も豊富。全国への発送・ご相談対応も可能です。
輸入ガレージドアとは?
海外の住宅では、ガレージドアは単なる“開閉ドア”ではありません。
外観の印象を決定づけるデザインアイコンであり、住宅の価値を高める「見せ場」です。
当店が取り扱う輸入ガレージドアは、クロペイ社(CLOPAY)などアメリカの代表的メーカー製。
耐久性・断熱性に優れ、開閉機構の信頼性も高く、見た目と機能性を兼ね備えたハイクラス仕様です。
ガレージを取り入れたいお考えをご相談ください。
当社が扱う輸入ガレージドアの特長
✅ 断熱性抜群!高気密・高断熱のスチールドア構造
✅ 木製風・シャッター風などバリエーション豊富な外観
✅ 電動リモコン対応で快適な開閉操作(オプション)
✅ アメリカ住宅に多いカリフォルニアスタイルに最適
✅ 省エネ基準・防火地域にも対応可能な仕様相談OK
こんな方に選ばれています
• 海外風のガレージ付き住宅を建てたい
• 高級感のある外観デザインにしたい
• 他と被らないガレージで差別化したい
• 欧米住宅のようにガレージも魅せる空間にしたい
• 施主の要望に応えるため、設計士として選択肢を増やしたい
• 世界各国の有名メーカーから直接仕入れ
• 国内施工基準に適合するサイズ・素材・機構
• 正規ルートだからこそ可能なメーカー保証と安定供給
輸入品にありがちな「サイズが合わない」「部品が手に入らない」といったトラブルを未然に防ぎます。
私たちが扱う輸入ガレージドアは、海外の有名メーカーから正規ルートで仕入れた製品のみ。
単に「かっこいいから」「珍しいから」ではなく、建築士が自らの経験と知見をもとに、日本の住宅事情に適合するものだけを厳選しています。
寸法・素材・耐久性・開閉機構など、国内施工基準や安全規格を踏まえて選定しているため、輸入品でありながら施工時の調整やメンテナンスに余計な負担がかかりません。また、輸入元との直接取引により、安定した供給と正規保証も確保しています。
■ 住宅に合わせたデザイン提案が可能
• 外壁・窓サッシ・玄関ドアとのトータルコーディネート
• クラシック・モダン・カントリーなど幅広いデザイン対応
• 色サンプル・参考画像で仕上がりを事前確認
お客様の理想を形にするため、デザイン性と機能性を両立させたご提案を行います。
輸入ガレージドアの魅力は、何といってもそのデザイン性の高さ。
クラシック・モダン・カントリー・インダストリアル──お客様の住宅スタイルに合わせて、外壁材や窓サッシ、玄関ドアとの調和を考えた提案が可能です。施工参考画像や色サンプルを使って仕上がりイメージを確認できるため、「思っていたのと違う…」という心配もありません。
さらに、断熱性・防犯性・静音性など、機能面でもお住まいの条件に合わせた仕様を選択いただけます。
• 全国配送可能
• 工務店様への施工マニュアル提供
• 専門スタッフによる設置相談・部品供給
輸入品だからこその不安を解消し、導入からアフターフォローまで一貫サポートします。
【輸入建材ヴィクトリー】は、全国どこからのご注文にも対応。
配送手配はもちろん、設置に関するご相談、工務店様への施工マニュアル提供、部品供給までトータルでサポートいたします。
「輸入品はメンテナンスが心配」というお声にも応えられるよう、専門知識を持つスタッフが迅速に対応。
万一の部品交換や仕様変更にもスムーズに対応できる体制を整えています。
輸入ガレージドアは、ただの“出入り口”ではありません。家の第一印象を決める重要なファサードであり、住まいの価値を引き上げるインテリアの一部です。【輸入建材ヴィクトリー】では、「デザイン」「品質」「施工性」の三拍子が揃った製品を、安心のサポート体制で全国にお届けします。

人気の輸入ガレージドア商品(※一例)
クラシックレイズドパネル(Classic Raised Panel)
└ アメリカで最もベーシックかつ人気のデザイン
モダンスレッドライン(Modern Sleek Line)
└ スタイリッシュな直線ラインが美しいモダン系住宅に最適
よくある質問(FAQ)
Q. 工務店を通さず個人でも購入できますか?
A. はい、全国配送対応しております。施工は提携業者またはお客様手配の工務店にて可能です。
Q. 修理や部品交換はできますか?
A. 正規輸入品のため、部品供給と交換対応が可能です。
Q. 納期はどのくらいですか?
A. 製品や在庫状況により異なりますが、国内在庫品で最短5営業日、海外取り寄せで約65〜90日です。
※カラーや窓デザインのカスタマイズ可。お問い合わせください。
ご質問・ご注文は下記のメールからお問い合わせはこちら🔻
📩 メールフォームはこちら → [お問い合わせフォーム]
ビルトインガレージを家に設置することで、車を自然災害や盗難から守り、住宅価値を上げ、プライバシーを守り、駐車場のストレスを軽減し、天候に左右されない駐車が可能になります。
「ビルトインガレージ」とは、住宅の建物に直接取り付けられた、屋内にあるガレージのことです。
とにかく一番いいのは家の中からすぐに車に乗り込み外に出る必要がなくなり当然雨風が心配いらないことです。とくに冬の雪が多い日は雪かきしなくて済みます。
車の保管がしやすい
ビルトインガレージは、住宅の建物に直接取り付けられているため、車を保管するのに便利です。屋外に置いた場合に比べて、天候や盗難から車を守ることができます。また、ビルトインガレージには通常、車庫のドアが付いているため、車の出し入れも簡単です。
住宅の価値を高めることができる
ビルトインガレージは、住宅の付加価値を高めることができます。車を保管するスペースがあることは、多くの人にとって魅力的な要素の一つであるため、住宅の販売時にはプラスに働くことがあります。
外観が美しくなる
ビルトインガレージは、外観が美しくなることがあります。屋外に車を置いている場合に比べ、建物の外観が美しく保たれるため、住宅の美観を損なうことがありません。
追加の収納スペースが生まれる
ビルトインガレージは、車以外の物品を収納するためのスペースとしても活用できます。例えば、自転車やスポーツ用具などを収納することができます。また、ビルトインガレージに棚やラックを設置することで、より多くの収納スペースを確保することができます。
安全面が向上する
車に乗り込むまでの距離が短いため、雨の日でも濡れる心配がなく、夏や冬の過酷な気候でも快適に移動できます。特に、雪が多い地域では雪かきの手間を大幅に削減できる点も大きな魅力です。
家の中から直接ガレージへアクセスできるため、車までの移動距離がほぼゼロ。雨の日でも濡れずに出発でき、重い荷物を持っていてもすぐに室内へ運べます。小さなお子さんや高齢者がいる家庭でも、安全性が高い点が魅力です。外部に駐車するよりも、ビルトインガレージはセキュリティ面で優れています。車へのいたずらや盗難リスクが大幅に減り、安心して愛車を保管できます。防犯カメラやセンサーと組み合わせれば、さらに効果的です。
以上が、ビルトインガレージの利点の一部です。屋内に車を保管することで、車を守り、住宅の付加価値を高め、外観を美しく保ち、追加の収納スペースを生み出し、安全性を向上させることができます。また、屋内に車を保管することで、車の保険料を下げることもできるため、経済的なメリットもあります。ただし、ビルトインガレージを取り付けるには、建物の構造上の制限や地盤の状況などを考慮する必要があるため、専門家の助言を受けることが重要です。
自動開閉機能
電動オープナーが付いているため、ガレージドアの自動開閉が可能です。ボタンを押すだけでドアが自動的に開いたり閉じたりします。
リモート操作
遠隔操作用のリモコンが付属しているため、車内からや家の中から、手軽にガレージドアの操作ができます。
センサー機能
外部センサーや内部センサーを備えている場合、ドアが自動的に閉じる前に障害物を検知し、安全に停止します。
セキュリティ機能
高度なセキュリティ機能を持ち、不正侵入を防ぐための安全性が確保されています。多くの場合、セキュリティコードや暗号化機能を利用します。
静音性
電動オープナーは比較的静かに動作し、近隣の住人への騒音の心配が軽減されます。
耐久性
高品質の材料や部品を使用しており、長期間の使用にも耐える頑丈な構造です。
使いやすさ
操作が簡単で、説明書を読むことなく直感的に操作できるようデザインされています。
スマートホーム連携
一部のモデルでは、スマートホームシステムと連携し、スマートフォンアプリや音声アシスタント(例:Amazon AlexaやGoogleアシスタント)を使って遠隔操作やタイマー設定ができる場合もあります。
バッテリーバックアップ
電源が一時的に切れた場合でも、内蔵されているバッテリーバックアップにより、一定時間の間、オーバースライダー機能が使用可能です。
これらの特徴により、ガレージドア オーバースライダー 電動オープナー付き商品は、便利さ、安全性、使いやすさ、耐久性を備えています。
当社のガレージドアはスチール製(標準塗装済み)と木製ガレージドア(無塗装)の2種類販売しております。
どちらも凹凸のあるパネルデザインとフラットデザインを揃えております。
開閉は手動と自動の2種類から選べますがリモコンで車の中から開閉できるタイプはとても便利で殆どが自動リモコン開閉を当社は設定としてご提案しております。

本格派で本物をご指定戴ける方への正規商品
外観を崩さない素敵な輸入ガレージドアをお薦めします。
当社がお薦めする輸入ガレージドアは オーバースライドガレージドアです。
個性的なデザインの輸入住宅そして海外スタイルデザイン住宅を演出するための住宅作りのためにこの輸入ガレージドアはいかがでしょうか! (画像はモダンタイプデザイン)
家の内部にガレージがあることの良いこと
・車が風雨にさらされない
・クルマに乗り込み時歩く距離がほとんどないので安心
・車へのいたずらが心配がない。
・他の場所に駐車場が必要なくなる
とにかく一番いいのは家の中からすぐに車に乗り込み外に出る必要がなくなり当然雨風が心配いらないことです。とくに冬の雪が多い日は雪かきしなくて住みます。
またご自分の趣味の領域で道具などもおける倉庫代わりにもなります。
国内のシャッターは違い本当に静かに開閉するのも特徴の一つな商品なのです。
当社のガレージドアはスチール製(標準塗装済み)と木製ガレージドア(無塗装)の2種類販売しております。
どちらも凹凸のあるパネルデザインとフラットデザインを揃えております。
開閉は手動と自動の2種類から選べますがリモコンで車の中から開閉できるタイプはとても便利で殆どが自動リモコン開閉を当社は設定としてご提案しております。

断熱材は、スチールでサンドした3層構造になってます。
断熱材は、スチールでサンドした3層構造になってます。
ガレージドアは、住宅所有者にとって究極の賢明な選択肢です。
このガレージドアに注入されている断熱材は独自のポリウレタンフォームであり、膨張して構造全体を埋めます。
その結果、信じられないほどの強度と耐久性を持つドアに仕上がっております。
密度の高い断熱材は、より静かなドアを生み出し、業界をリードするR値(最大20.4)は年間を通して快適でエネルギー効率を向上させます。
上記画像左は手動開閉でシリンダーロック付き
上部飾り窓はオプションです。
電動モーターを標準で取り付け、リモコン制御式自動ドアにして標準セットで販売商品
Clopay社オーバースライダーガレージドアは、 ドアパネル・サイドレールセット・各種金物が付属しています。基本セットは手動開閉式となりますが、当社ではLIFTMASTER社製電動モーター、リモコン制御式自動ドアにして標準セットで販売させていただいております。
電動モーターを付けた場合でも手動で開閉ができ、電動⇔手動の切替も簡単です。下記金額表はガレージドア本体の設計価格です。
標準幅Wサイズ設定は次の通り(ドア厚35mm)
6'2"、8'、9'、10'、12'、14'、15'、15'6"、15'8"、16'、17'、18'
13'はカスタムオーダー。 (寸法表記フィート/ 1フィート30.48mm)
但し、17'と18'は強度的に不足になる恐れがあるので強度を増した(ドア厚51mm)
輸入ガレージドアが60日〜75日でお届け可能になりました
( )内はトップ飾りガラス窓を取り付けた場合の価格帯です。
上記表示金額はガレージドアパネルドア本体(取付金具含む)の金額です。
*電動モーター・リモコン/運賃・取り付け施工などは別途。
施工エリア拡大しております。
都内23区、千葉、埼玉、神奈川、名古屋、三重、岐阜、静岡、
大阪、福井、石川、富山
レギュラーデザインガレージドア(W9fxH8f)についてのおおよその参考価格(運賃税込)
施工費(電動モーター付き)など必要項目を含む
おおよその見積もり金額は87万円〜灯り窓着きで110万円前後。
このレギュラーデザインで

サイズ:幅8′-2438mm ×
高さ8′-2438mm カラー:ホワイト
*ブラックハンドル、矢印プレート装飾品はオプション
限定寸法現在在庫数台あり 即納可能
当社上代価格584,000円 販売価格407,000円(税別) 配送費別途
基本販売は電動モーター(別途)付きで販売を行っております。
取り付けは別途お申し付けください。
ガレージドア本体+開閉電動モーター+取り付け費で合計販売金額とします。
既存使用からの交換に限り本体のみを販売可能です。
ーーーーーーー
在庫商品を購入希望なので見積もり依頼したい。
縦ラインが特徴のデザインです。 表面は木目調で 各カラーを選出可能です。

ギャラリー・コレクションデザインガレーヂ
※価格は全て設計価格(税抜)です
窓のロートアイアン付きガラスは¥362,000円追加別途
上記価格には ガレージドア本体 標準取付に必要な金物一式
サイズは他にもご指定いただけます。
金額は設計価格ですので販売価格はお見積りをご依頼ください。
注意:受注発注の為その都度お見積りにて変動しておりますので表示価格は目安とお考えください。
記載なき寸法のガレージ商品もございますのでご連絡ください。
輸入ガレージドアが60日〜75日でお届け可能になりました
現在価格変動しておりますので常時お見積りをご依頼ください。
ギャラリーデザインで
ギャラリーデザインガレージドア(W9fxH8f)についてのおおよその参考価格(運賃税込)
施工費(電動モーター付き)など必要項目を含む
おおよその見積もり金額は97万円〜灯り窓着きで120万円前後。
パネルデザイン 表面は木目調になります。
明かり窓ガラスデザイン
窓デザインにより追加金額となりますのでお見積りご依頼下さい。
窓のロートアイアンは¥362,000円追加になります。
上記窓ガラスデザインをご利用の場合ご指定の上お見積りご依頼下さい。
金額は設計価格ですので販売価格はお見積りをご依頼ください。
注意:受注発注の為その都度お見積りにて変動しておりますので表示価格は目安とお考えください。
記載なき寸法のガレージ商品もございますのでご連絡ください。
受注発注品の為 お届け納期は ギャラリーデザインは75日 、カスタムの場合150日となります。
ギャラリーデザインで
プレミアムオプションカラーは 追加金額79,000円 (カラーは表面だけになります。内側標準ホワイト)
上記画像のカラーはプレミアム色 オークカラー
ギャラリー・コレクション デザインガレージドア 参考施工画像
金額は設計価格ですので販売価格はお見積りをご依頼ください。
注意:受注発注の為その都度お見積りにて変動しておりますので表示価格は目安とお考えください。
記載なき寸法のガレージ商品もございますのでご連絡ください。
受注発注品の為 お届け納期は レギュラーデザインは75日 、カスタムの場合150日となります。
各商品デザインのガレージドアを
輸入ガレージドアに窓を組み込んで、光を取り入れたり、家の既存の窓とよりよく調和させることができます。窓は、内部が見えないように不透明にすることも、光を許可するが半透明にすることもできますが、直射日光を遮断してプライバシーを確保するために色付きの窓を使用できます。
ドアの下部から3番目のセクションに窓を配置すると、輸入ガレージドアの外を見ることができ、ドアの上部に窓を配置すると、自然光とプライバシーを確保できます。私たちは、耐候性と耐久性のある装飾的なガレージドアウィンドウの幅広い選択肢を提供しています。輸入ガレージドアスタイルは標準、アンティーク、アーチ、窓ガラスは、ガラスの間に模様を付けたり、透明にしたり、装飾したり、斜めのデザインにすることができます。
ドアのサイズ、モデル、もオプションがございますのでコスト面に予算オーヴァすることの可能性があります。選択肢を簡単に理解し、各商品を正確に見積もることができます。予算を検討するときは、ドアが長持ちすること、保証が含まれること、定期的なケアを確認してください。少し余分に費やしたお金は、一生の間に利益をもたらし、そしてあなたの家の価値を高めるのに役立ちます。
現代的なモデル、伝統的な美しさから、さまざまなパネルのデザインと色まで、お客様のニーズと個性に最適なオプションを見つけるお手伝いをします。

今人気のフラットデザインが好評です。 アメリカデザインではない国内の住宅デザイン、現代風デザインの家デザインには特におすすめです。 更に明り取りガラスを取り入れ設置したガレージは住宅自体のデザイン価値を高めます。
Contemporary design
モダンスチール製ガレージドア フラットパネルタイプ

ブラックカラーはカスタムオプションです。
注意:受注発注の為その都度お見積りにて変動しておりますので表示価格は目安とお考えください。
施工エリア拡大しております。関東圏、中部圏、大阪、名古屋、愛知、岐阜、北陸三県
スチールに特塗装して木製の質感を施した製品です。見た感じ両引き戸のようですがこれも上にスライドして開けるオーバースライダーガレージです。
明かりとりウインドウデザインはオプションの下記のアーチ3またはアーチ4
ガラスタイプはオプション
こちらの商品もご選択いただけます。⇑
※窓はオプションです。
※フラットパネルタイプは縦にも窓を付ける事ができます。
※窓の位置(右側・左側・全面など)と数量は自由に選べます。
※断熱材はスチールでサンドした3層構造になってます。
---------------------------------------------------------------------------------------
上記表示金額はガレージドアパネルドア(取付金具含む)の金額です。
電動モーター・リモコン・塗装・取付施工費用・運賃などは別途。
価格は税別
施工エリア拡大しております。関東圏、中部圏、大阪、名古屋、愛知、岐阜、北陸三県
当社は個性的な輸入ガレージドアデザインの商品をおすすめご提案しております。もちろんレギュラーなデザインガレージドアも頻繁に販売させていただいております。
金額は設計価格ですので販売価格はお見積りをご依頼ください。
注意:受注発注の為その都度お見積りにて変動しておりますので表示価格は目安とお考えください。
記載なき寸法のガレージ商品もございますのでご連絡ください。
受注発注品の為 お届け納期は レギュラーデザインは90日 、カスタムの場合150日となります。
木製フェイクのスチールガレージドアで
電動モーターを標準で取り付け、リモコン制御式自動ドアにして標準セットで販売商品
ドライブ方式:ベルト
付属品:壁スイッチ 壁付暗証番号式エントリー 車載リモコン2台 バッテリー
上記表示金額はガレージドアパネルドア(取付金具含む)の金額です。
電動モーター・リモコン・塗装・取付費用・運賃などは別途。
施工エリア拡大しております。関東圏、中部圏、大阪、名古屋、愛知、岐阜、北陸三県
メーカーカタログはこちらからダウンロードしてください。(英文)
金額は設計価格ですので販売価格はお見積りをご依頼ください。
注意:受注発注の為その都度お見積りにて変動しておりますので表示価格は目安とお考えください。
記載なき寸法のガレージ商品もございますのでご連絡ください。
受注発注品の為 お届け納期は レギュラーデザインは90日 、カスタムの場合150日となります。
注意:受注発注の為その都度お見積りにて変動しておりますので表示価格は目安とお考えください。
見積もりをご依頼下さい。
商品のお問い合わせはこちら
電話は 080-6351-8660
その他のデザインスタイルシリーズ

上記デザインのガレージドアもご注文可能です。
開きに見えていますがこれもオーバスライダーガレージドアです。
お客様のライフスタイルとうまく調和するガレージドアを選ぶのをご相談下さい。
ガレージ内またはガレージの周りで何をするかを考えます。お客様のガレージはあなたの車のためだけなのか?それともあなたの趣味などに使用するワークショップでしょうか?時折娯楽のためにそれを使用したり多くの住宅オーナーは、生活空間の延長としてガレージを使用しています。内部の快適な温度を維持するのに役立ち、全体的なエネルギー効率があるドアを選択する必要があります。お客様の場所の一般的な気候環境に応じて、家のために鋼鉄またはアルミニウムから選択してください。ガレージ内でワークショップを開催する場合、スペースの加熱と冷却を容易にするために、できる限り居心地の良い空間をにしたい場合があります。またガレージドアに窓を取り付けたいですかもご検討下さい。近くにバスケットボールの輪があるか、自転車、ボール、スクーター、スケートボードでその場所で遊ぶアクティブな子供がいるかどうかを検討する必要があります。
家にぴったりの輸入ガレージドアを設置すると、家の価値や家の魅力が高まるだけでなく、家のエネルギー効率も向上することをご存知ですか。平均的な家庭用ガレージのドアは、外壁の約40%を占めています。
バージョンアップして輸入ガレージドアで建物のデザインをより素敵にしましょう。現代的、伝統的、カントリースタイルのドアの全ラインナップをご紹介します。カントリーコテージ、ビクトリア朝の家、コロニアルバンガロー、または現代風の家に合う輸入ガレージのドアスタイルがあります。新しいガレージのドアの色は、家の外観と調和するはずです。ドアを窓枠の色に合わせるか、レンガや外装の色調を取り入れた色を選べます。またガレージドアの構造は、そのパネルによって強化されています。
施工エリア拡大しております。関東圏、中部圏、大阪、名古屋、愛知、岐阜、北陸三県

様々なデザインのガレージドア
当社は個性的な輸入ガレージドアデザインの商品をおすすめご提案しております。もちろんレギュラーなデザインガレージドアも頻繁に販売させていただいております。
お気に入りのガレージドアが御座いましたら今すぐご連絡ください。お見積もりをさせて頂ききます。
注意:受注発注の為、その都度お見積りにて変動しておりますので表示価格は目安とお考えください。
あなたの輸入ガレージドアは全体的なデザインと装飾を調和して賛美するべきです。家のガレージドアはあなたの財産の美しい焦点になることができるでしょう。輸入ガレージドアの面積は、ファサード全体の最大40%を占める可能性があるため、細部まで考慮されます。
予算に関係なく、色、モデル、スタイルから選択できる複数の構成を提供できます。
数々の輸入ガレージドア設定オプションであなたを魅了します。
当社のご提案できる高品質なガレージドアは経験豊富なスタッフがお客様の物件についてご相談させていただき、輸入ガレージドアは現代的なモデルから、伝統的な美しいデザインなど、さまざまなパネルのデザインや色まで、お客様のニーズに最適なオプションを見つけるお手伝いいたします。
金額は設計価格ですので販売価格はお見積りをご依頼ください。
注意:受注発注の為その都度お見積りにて変動しておりますので表示価格は目安とお考えください。
記載なき寸法のガレージ商品もございますのでご連絡ください。
受注発注品の為 お届け納期は レギュラーデザインは90日 、カスタムの場合150日となります。
今回は、オーバースライダードアの注文方法です。
現在オーバースライダードアが付いていて、入れ替えを考えている方
お問い合わせフォームのメッセージにガレージドア入れ替え見積り依頼等と記入してください。
デザインとサイズを打ち合わせ・確認後、見積書を返信いたします。
入れ替えの場合でも、北陸以外の地域の場合でもお問合せください。
施工エリア拡大しております。関東圏、中部圏、大阪、名古屋、愛知、岐阜、北陸三県
海外住宅建材であらゆる相談を行っておりますお気軽に一度ご相談ください。
様々な寸法に合わせて種類を選べます。
当社指定エリアでは施工も承ります。
※商品のみの購入は出来ますが、取り付け経験がない場合や取り付け業者がいない場合は、あまりおすすめ致しません。
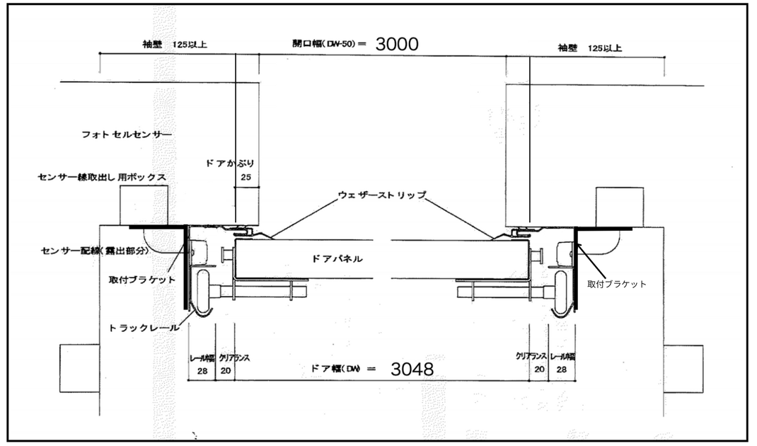
基本取付詳細図
寸法図は下記のPDFにて御覧ください。
基本施工ではガレージ取り付け開口上場から450以上の寸法をお願いいたします。
それ以下の場合も対処可能ですがあまりお薦めしておりません。
開口部は図面を参考に仕上げ寸法としてください。
通常の弊社からは幅はガレージ寸法+袖壁左右共125mm以上。
高さはモーターを付ける場合で、ガレージの高さ+下がり壁450mm以上。
奥行きは同じくモーターを付ける場合、ガレージの上部の水平に4000mmが必要。
それぞれ確保頂くようご案内しています。
上記図面は横幅10フィート(3048mm)のガレージドアを設置する場合の左右袖壁 施工詳細
この箇所が一番重要でこの条件がクリアーできている事により設置は可能です。
要するに細かいことを考える必要はなく、ガレージドアを取り付けるには左右に袖壁が必要です。
そのため、横幅の開口寸法(W開口)を設計する際は、ガレージ内の内壁仕上げからの最小寸法として、
ガレージドアのW寸法+300mm を余裕を持たせた寸法を確保する必要があります。
910モジュールで設計した場合 推奨柱真設計スパン間口
例;10フィート(3048mm)のガレージドアを設置する場合 柱真で3,939mm(13尺)
9フィート(2743mm)のガレージドアを設置する場合 柱真で3,640mm(12尺)
またドアパネルの高さから通常設置では450以上の空間が必要です。
左右にスライドレールを固定する
L型アングルが設置する事になりますので
水平仕上げ内壁幅寸法は十分余裕を持った設計をお願い致します。
取り付け詳細に関しては下記PDF図面をダウンロードしていただき取り付け下地場所など及び寸法などもご確認ください。

ガレージドアの取り付けをご検討中の方へ
― 専門スタッフによる事前現場調査(オプション)と確実な取付け施工で、安心の導入を ―
輸入ガレージドアの取り扱い・施工において、最も重要なのは現場の状況に応じた正確な設置計画です。
当社では、ガレージドア本体の販売に加え、取り付け工事までワンストップで対応しており、お客様のご負担を最小限に抑えながら、高品質な施工を実現しています。
特に、ガレージドアの設置においては、壁面の下地状況・開口部の寸法・開閉スペースの確保など、事前に詳細な確認が不可欠です。
そのため、取り付けをご依頼いただいたお客様には、住宅工事業者様とご一緒に現場にお立ち会いいただき、当社の専門スタッフが直接現地調査を行います。
これにより、以下のようなトラブルを未然に防ぎ、完璧な設置を可能にします:
• 下地強度の不備による設置不可リスク
• 電動開閉ユニット設置スペースの誤認
• 意匠や動線との不整合
現場調査の結果をもとに、施工日当日には万全の体制で対応いたします。現場との連携や各種納まりの調整まで、プロの視点でしっかりサポート。設計士様や工務店様ともスムーズに連携が取れるよう配慮しています。
さらに、施工後の製品保証・施工保証も充実しており、導入後も安心してお使いいただけます。
【ご相談・お見積もり無料】
